
Insert avec tête et forme hexagonale d’entrainement (H) combinée au filetage intérieur. Filetage extérieur innovant autoformeur pour thermoplastiques, thermodurcissables et mousses hautes densités.
ECO-CONCEPTION
100 % RECYCLABLE
- Pose automatisée simplifiée par la tête
- Montable et démontable à l'aide d'un embout 6 pans
- Filet optimisé pour le fluage des plastiques à l’installation
- Optimisation des temps de montage/démontage
Ingénierie des fixations
Grandes Séries – E-Shop
* à mi-hauteur de l’insert
** tendre PP, PE à moyen
*** dur PA66/GF40, PPA/GF30, PPS GF40, plastiques amorphes et thermodurcissables
INSERT À VISSER TYPE K
Phase
01
L’outil de pose met en place l’insert suivant son axe dans le puits de moulage ou le trou de perçage.
• auto formeur : la matière est refoulée sans faire copeaux.
• auto taraudeur : La fente coupante coupe la matière.
Phase
02
Le contre écrou ou le mécanisme de l’outil de pose permet la séparation de l’outils et de l’insert.
La matière comprime l’insert et assure la tenue.
Réservoir à Copeaux
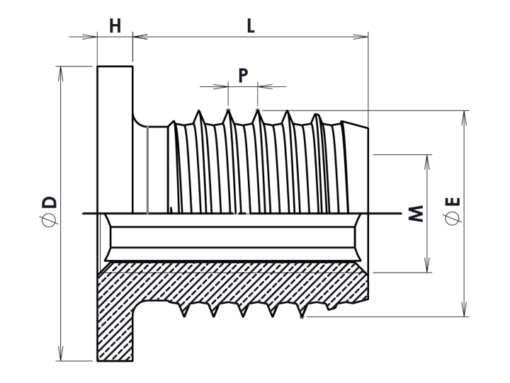
Lb Profondeur du puits :
Permet le logement des copeaux induits lors de l’installation.
Longueur de l’insert +2 à 3 mm
Puits débouchant
L’insert doit être entièrement noyé dans la matière :
Longueur de l’insert +1 mm
Plastiques Grande Diffusion
L’insert doit être entièrement noyé dans la matière :
Longueur de l’insert +1 mm
Plastiques Techniques
& Hautes Performances & Alliages Légers
ØL =Øext+0.2 à 0.4 mm
PL =1 à 1.5 x pas filet ext
Pc =1 à 1.5 x pas filet ext
Couple & Vitesse pour IV2 acier trempé
ØP / Diamètre du puits
Un trou plus large facilitera la mise en place de l’insert au détriment de la résistance à la traction et à la rotation. Prévoir un lamage et/ou un chanfrein pour faciliter la mise en place de l’insert et avoir une pose finale optimale avec la surface de la matière.
S / Epaisseur de paroi
Elle dépend de l’élasticité de la matière et de la contrainte sur le montage.
Plastiques Grande Diffusion : S ≥ 0.25 à 0.9 Ø extérieur de l’Insert
Plastiques Techniques
& Haute Performances
& Alliages Légers : S ≥ 0.2 à 0.6 Ø extérieur de l’Insert
| Filetage Intérieur | M2.5 M3 | M4 M5 | M6 M8 | M10 M12 | M14 M16 |
| Vitesse de rotation en tr/min | de 800 à 1300 | de 600 à 900 | de 400 à 700 | de 300 à 450 | de 240 à 350 |
Essais fortement recommandés : notre laboratoire est à votre disposition
Outils de pose
Avantages
- Assure un montage optimal
- Rapidité de la pose
- Possibilité de monter l’outil sur une visseuse ou sur un outil à main
- Version longue disponible si trou difficile d’accès
Manuel
Automatique
outil manuel – ovm
Monter un tourne à gauche sur la partie entraînante de l’outil.
Monter l’insert sur l’outil, fente ou trous coupants vers le bas.
Engager l’insert avec une légère pression en début d’installation pour former correctement les premiers filets.
En fin de montage, l’insert doit pénétrer de 0,1 à 0,2 mm.
(± 1/4 de tour) en dessous de la surface de la pièce.
A l’aide d’une clé, bloquer le contre-écrou et dévisser le tourne à gauche pour désolidariser l’insert de l’outil.
Le goujon de l’outil se place au milieu de la fente coupante pour ne pas bloquer le dégagement des copeaux de coupe
- Faites défiler horizontalement le tableau
| Référence | Ø intérieur insert | Dim. du carré en mm | D2 Ø queue en mm |
|---|---|---|---|
| OVM 025 CM 0050 A 0 | M2,5 | 5 | 6 |
| OVM 030 CM 0050 A 0 | M3 | 5 | 6 |
| OVM 040 CM 0050 A 0 | M4 | 5 | 6 |
| OVM 050 CM 0080 A 0 | M5 | 8 | 10 |
| OVM 060 CM 0080 A 0 | M6 | 8 | 10 |
| OVM 080 CM 0080 A 0 | M8 | 8 | 10 |
| OVM 100 CM 0127 A 0 | M10 | 12,5 | 16 |
| OVM 120 CM 0127 A 0 | M12 | 12,5 | 16 |
Outil à déblocage Automatique – OVA
Régler la butée de profondeur de façon à ce que la face d’appui de l’outil pénètre de 0,1 à 0,2 mm en dessous de la surface de la pièce.
Poser l’insert sur le puits.
Fente ou trou coupant vers le bas.
Engager avec une légère pression.
Visser sans pression.
Inversion du sens de rotation en fin de montage.
La goupille par effet mécanique (choc) désolidarise l’outil de l’insert.
- Faites défiler horizontalement le tableau
| à Queue Cylindrique + carré d’Entrainement | à Queue Hexagonale 1/4” (6,35 mm) | |||
|---|---|---|---|---|
| Référence | Ø intérieur insert | Dim. du carré en mm | D2 Ø queue en mm | Référence |
| OVA 020 CM 0063 A 0 | M2 | 6,35 | 8 | OVA 020 HM 01/4 A 0 |
| OVA 025 CM 0063 A 0 | M2,5 | 6,35 | 8 | OVA 025 HM 01/4 A 0 |
| OVA 030 CM 0063 A 0 | M3 | 6,35 | 8 | OVA 030 HM 01/4 A 0 |
| OVA 035 CM 0063 A 0 | M3,5 | 6,35 | 8 | OVA 035 HM 01/4 A 0 |
| OVA 040 CM 0063 A 0 | M4 | 6,35 | 8 | OVA 040 HM 01/4 A 0 |
| OVA 050 CM 0100 A 0 | M5 | 9,53 | 12,5 | OVA 050 HM 01/4 A 0 |
| OVA 060 CM 0100 A 0 | M6 | 9,53 | 12,5 | OVA 060 HM 01/4 A 0 |
| OVA 080 CM 0100 A 0 | M8 | 9,53 | 12,5 | OVA 080 HM 01/4 A 0 |
| OVA 100 CM 0127 A 0 | M10 | 12,70 | 16 | OVA 100 HM 01/4 A 0 |
| OVA 120 CM 0127 A 0 | M12 | 12,70 | 16 | – |
OVK – Queue hexagonale 1/4’’ ( 6,35 mm)
- Faites défiler horizontalement le tableau
| Outil Complet | Composants Outils pour achat au détail | ||
|---|---|---|---|
| Référence | Ø intérieur insert | Référence porte Embout | Référence Embout |
| OVK 030 HM 01/4 A 0 | M3 | PORTE-OVCOM | EMBOUT-OVCOM3 |
| OVK 040 HM 01/4 A 0 | M4 | PORTE-OVCOM | EMBOUT-OVCOM4 |
| OVK 050 HM 01/4 A0 | M5 | PORTE-OVCOM | EMBOUT-OVCOM5 |
| OVK 060 HM 01/4 A 0 | M6 | PORTE-OVCOM | EMBOUT-OVCOM6 |
| OVK 080 HM 01/4 A 0 | M8 | PORTE-OVCOM | EMBOUT-OVCOM8 |
OVH – Queue hexagonale 1/4’’ ( 6,35 mm)
à débrayage automatique
- Faites défiler horizontalement le tableau
| Outil Complet | Composants Outils pour achat au détail | ||
|---|---|---|---|
| Référence | Ø intérieur insert | Référence Embout | |
| OVH 030 HM 01/4 A 0 | M3 | – | EMBOUT-OVCOM3 |
| OVH 040 HM 01/4 A 0 | M4 | – | EMBOUT-OVCOM4 |
| OVH 050 HM 01/4 A0 | M5 | – | EMBOUT-OVCOM5 |
| OVH 060 HM 01/4 A 0 | M6 | – | EMBOUT-OVCOM6 |
| OVH 080 HM 01/4 A 0 | M8 | – | EMBOUT-OVCOM8 |
Produit |
Sous Famille |
Type |
Taraudage |
L |
Forme Extérieure |
Ø E |
Matière |
Spécification |
|||||||
Exemple |
I |
V |
K |
0 |
3 |
0 |
0 |
6 |
0 |
M |
0 |
5 |
0 |
L |
0 |
|
Insert |
à Visser |
non fendu filetage ext. 60° pas métrique ISO |
Taraudage intérieur |
Longueur totale 6 mm |
Filetage Métrique |
Diamètre extérieur 5 mm |
Laiton CW 614N |
Aucune |
|||||||
| Sous Familles V à Visser |
Type d’insert à Visser K avec tête et filet 45° à fond 160° – réversible + hexagone inter H sans tête et filet 45° à fond 160° – réversible + hexagone inter |
Matières |
Spécifications 0 Aucune N Nickelage |




